Bodies & Trim
Contents
(Scroll down or click on Links)
Start Marks & Film Counters
Pressure Plates
Light Seals
Camera Back Film Guides
Film Path
Dimensions
Feature & Trim Changes Timeline
Locking Levers
Tripod mounts/ Locking Knobs
“Made in Japan” (as well as “Hong Kong” and “Brasil”)
Focusing Hood Logos (Finder Marks)
Focusing Hood Assemblies
Film Winding Knobs
Focusing - Knob Wind Models
Focusing - Crank Wind Models
Spool Knobs (Spool Supports)
Strap Holders
Accessory Shoes
Control Wheels (Dial Knobs) & Exposure Indicator Window
Text Between Lenses
Red Windows (Film Windows)
Coloured 66 Cameras
Crank Wind (WARNING!)
Fresnel Lens Focusing Screens
Internal Light Baffles
Model Classifications
Where the name is on the nameplate, it is easy e.g. “Yashima Flex”, “Yashica D” and “Yashica-Mat” (with its various flavours). However, there are at least 12 Yashicaflexes plus variations and the only clues to model are feature sets. The Yashicaflex C is an exception in that it has both a unique hood logo and “Model C” inside near the feed spool at the bottom (only found on examples with the early style focusing knob). Care needs to be taken as sometimes both shutters and lenses can change in a model run e.g. first the Yashica Flex model S lenses changed from Tri-Lausar to Heliotar, then the shutter changed from NKS-FB to Copal; the lenses on Yashica Ds and 635s changed from Yashikor to Yashinon.
Having said that, lenses, filter mounts (plain or Bay 1), shutters, winding method and exposure meters are the main determinants of model type. The Yashica Flex model S of 1954 is famous for being the first Japanese camera fitted with a built-in (uncoupled) selenium cell exposure meter. It also introduced Bay 1 filter mounts and auto-stop winding with a film counter (initially with reset button, then full auto from 1957) to Yashicaflex cameras. Subsequent fully featured premium cameras had the Bay 1 mounts and film counter. The most basic models, culminating in the long running Yashica A, retained both the plain filter mounts and the rear red window for frame counting. To make things more interesting, there were many in-between models with a mix of features.
Some commentators have speculated that there were so many variations of the Yashicaflex because of supply issues during the early post-War years in Japan. Whilst there is certainly evidence of other small makers using whatever was available, this is not the case with Yashima. Lenses are discussed elsewhere but they all came from the one supplier. Some lens name changes referred to either refinements, or marketing initiatives, with the triplet lenses in the more premium models whilst Yashimar lenses were introduced for use in the most basic models. In regard to shutters, in broad detail (ignoring very brief flirtations with SYK and Y.S.K. types), Yashima used NKS shutters until the end of 1954, then changed to Copal for shutters without slow speeds or self-timers and 1/200 top speed for low end models and with slow speeds, self-timer and 1/300 top speed for premium Yashicaflex models. It also introduced several domestic market mid-spec models (with mixes of either Yashimar or Yashikor lenses, red window or auto-stop film advance or plain or Bay 1 filter mounts) with shutters with higher speeds of 1/500 and 1/400 (Seikosha Rapid and Citizen MXV respectively) until the Copal MXV with 1/500 became available.
In the 1955 to 1957 period, there were so many models simply because two lens types (Yashikor or Yashimar), four shutter types (the two Copals, Seikosha and Citizen), film wind by red window or by auto-stop and counter, plain or Bay 1 filter mounts and exposure meter or not, allowed Yashima to easily and without significant development cost create as many models as it wished to meet various market price/spec points - something for everyone and every pocket. But mass market pocket only. At no stage did Yashima/Yashica try to take its cameras up-market to search for higher margins. Even the Yashica-Mat was considered to be extremely affordable and excellent value.
Bodies
66 Models
Below left is a schematic of a sectioned Yashica 66 TLR, probably either a Mat-LM or Mat-EM, found in brochures from around 1964 and on the right, a similar section of the Yashica-Mat in the 1957 Japanese user manual:

Ignoring the exposure meter in the left image and the Tessar type taking lenses, the basic body structural elements and design are more or less the same for all 66 models, both crank wind and knob wind. Except for the bottom mirror support, these schematics are almost interchangeable with the Franke & Heidecke drawings in the Rolleicord IV, V and Va user manuals. Photographic confirmation of the close link to Rolleicord design and the dominant Pigeonflex DNA throughout the Yashica range can be found in Design Heritage.
Evidence is that the development of the Yashica TLR range is one of evolution rather than revolution. The Yashica TLRs have aluminium die-cast bodies with pressed aluminium backs and parts of the front panels. Observation of photos and examination of my own cameras suggests that there are really only two basic body style castings for 66 cameras (ignoring any changes required purely by the introduction of the crank wind mechanism of the Mat) between the Yashima made Pigeonflex of 1953 and the last Yashica Mat-124G of 1986 and even these changes were largely cosmetic, although there were refinements too. The Pigeonflex, Yashima Flex and first of the Yashica Flexes/ Yashicaflexes had short hinge plates or “strap holders” in Yashica speak and a different, slightly recessed, front panel design surrounding the focusing lens board panel. The body casting was also approximately 2 mm shorter and 2 mm deeper (1 mm was used for the recess). The new body, with full width strap holders and new front panel design, was introduced probably in early 1955 and basically remained unchanged. The nameplate screws, previously visible from the front (doesn't apply to models with exposure meters), were now hidden.
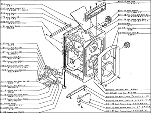
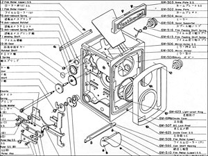
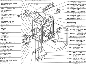
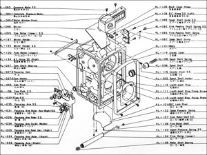
The Yashica 66 assembly diagrams (or more correctly, “assembling charts” as called by Yashica) for models from the basic Yashica A onward (charts only available starting with 1959, or so, production models) confirm that the basic carcasses and most parts changed little over time or between models, except for the added complications of crank wind. Below are assembling charts for the the Yashica A and D bodies and the Yashica-Mat and Yashica Mat-124G bodies. There is not much difference within each of the knob wind and crank wind categories and it is obvious how the crank wind developed from the knob wind:
(Assembling charts courtesy of Tom Heckhaus)
(Click on images to view full size)
Hoods and their mechanisms, apart from the lack of the sports finder on the Pigeonflex, appear near identical across the range , except for minor trim details (there was a major change in construction, mainly materials, in 1957 - see Focusing Hood Assemblies below). Camera backs also appear similar, except for relatively minor pressure plate details (see below), red window or not and the loss (hiding) of the two external pressure plate screws in 1962. Lenses and shutters are fitted in their own assembly which is separately attached to the focusing panel. Changes here don’t affect the rest of the body.
The first three cameras below represent the period 1953 to 1955. The second three represent the period 1956 to 1967. The two Yashicaflex cameras are both “S” models, the first with the early style body, the second with the later style. The Yashica D is from 1966, however, the first version was released in 1958. Only the hood logo, name between the lenses and control wheel trim are different. The Yashica Mat-EM example is from 1967 and is nothing more than a Yashica-Mat, first released in 1957, with exposure meter assembly in place of the nameplate.


(Pigeonflex & Yashimaflex images courtesy of Tom Heckhaus)
The CdS metered models brought some refinements but under the skin, they are still Yashica-Mats.

(Images courtesy of Tom Heckhaus)
44 Models
The 44 models (44A and 44LM body assembling charts below) followed similar design parameters to their bigger and older siblings, other than the film path direction was reversed, necessitating the use of a gear train in the knob wind 44A and 44LM. The carcass of the 44 (not shown) is very similar to the 44A but the 44LM carcass underwent considerable detail redesign, including the way the back fitted to the body.
(Assembling charts courtesy of Tom Heckhaus)
(Click on images to view full size)
Further Details can be found in Yashica 44 Series and 44 Models.
Start Marks & Film Counters
This section covers all models. The Yashica 24 and later cameras have a slightly different arrangement with start mark positioning. More details are in the Yashica 24, Yashica 12 & Yashica Mat-124 entry in “66 Models”.
Models with red windows do not make use of camera start marks - they simply make use of the numbers printed on the film backing. Models with auto-stop winding and a film counter need to correctly position the film before the back is closed, hence the need for a start mark. The early pre-War Rolleiflex and Rolleicord models used a red window on the bottom for this, a system later revived by the Yashica 44 and other Japanese 4x4 TLRs - see below. The need for any start positioning was eliminated by the fully automatic system on the Rolleiflex “Automat” model first introduced in 1937 but the Rolleicord models received a simpler system, I'm not sure when but it is in the user manual for the Rolleicord III model introduced in 1950. This uses two red dots low down either side of the main chamber to position the start marks on 120 roll film.
In 1954, the Yashica Flex S introduced a similar system for Yashima 66 models using cast triangles instead of dots. Initially, the Yashima system was simpler and like the earlier Rolleicord models with red window in the base, the counter had to be manually reset to the start position with the counter reset button. This is also the system commonly found on Yashica 44 and most Yashica 44LM examples. However, around early 1957, the reset button on 66 models was replaced by a rod that was pushed down by the back and effectively tripped the reset automatically, somewhat similar to the later Rolleicord system. The primary start mark in all models with the marks is a cast triangle located at each side of the film path, except in late Mat-124s and all 124Gs and 124Bs which only have a left side mark. In models before the Yashica 24, the cast triangles are at the mid-point of the back of the camera, in the 24 and later models, low down. The Yashica 24 and Yashica Mat-124, 124G and 124B use the cast mark/s for 220 and have an adhesive label in the film feed chamber for 120 start.

Yashica Flex S left image and centre with film counter and reset button. Right image is of Yashica 24 with low set red triangle primary mark for 220 film with 120 mark in the film chamber. Note protruding rod, far right bottom corner, which performs the reset function when the back is closed. The actual frame counting is done by a toothed wheel on a spring loaded shaft in the film take up chamber.
Once start marks appeared, they were present in all bodies, including in cameras with red windows. That is because cameras with either type of film advance used the same carcass. In models which didn't make use of the start mark, the triangles were left black, otherwise they were painted red to make them visible and indicate that they were active.
The 44 models are a little different. The Yashica 44 has a start mark which is inactive and left black. Its red window is used to set the first frame but then the process is automatic as with 66 models with film counter. The Yashica 44A is a fully manual camera without film counter that operates like a Yashica A. It also has an inactive start mark because it inherited this from the Yashica 44 (the carcass is the same). All export Yashica 44LMs appear to operate the same way as the Yashica 44 but early Japanese domestic market 44LMs do not have a red window and have the start marks painted red. They also don't have a manual counter reset button, i.e. they have automatic reset like the later 66 cameras. I believe that the reason for the red window on the Yashica 44 and export 44LM models was related to problems with the way 127 films were marked at the time making them unsuitable for using with the provided start marks. See also 44 Models.
A really interesting thing about start marks is that they first appeared in the 1954 Yashica Flex B which uses a red window and hence, doesn't need them:

The Pigeonflex didn't have them, neither did the Yashima Flex. None of the first three models needed them or used them so why does the Yashica Flex B have the marks? The first model to need a start mark was the Yashica Flex S. Discussed further in 66 Models and elsewhere, the evidence is mounting that the models B and S were released close to each other, and maybe the model S even arrived first.
Pressure Plates
Until the Yashica Mat-124, the 66 model pressure plates all used similar styled aluminium pressings with a couple of minor exceptions. Other than the Pigeonflex and very first Yashimaflex, these have pressed ribs, presumably for strength, with the same pattern used throughout (the Rookie is slightly different as explained below). Except for the black enamel painted Yashica 24 220 pressure plate, the finish was simply brushed aluminium. Both 120 and 127 film have black backing paper so the colour is not important with those formats. The Yashica Mat-124, 124G and 124B have a black, textured plate without ribs (thicker than earlier) somewhat similar to 35 mm pressure plates. These are also re-settable for 120 or 220 film. The first type and much more common Mat-124 pressure plate is turned 90⁰ for format change so there are 8 tabs, 2 on each side, and 4 are thinner (220) and 4 are the same as the pressure plate (120), plus a 9th tab to push down a second pin (near the reset pin) when the back is in the 120 position to change from 24 to 12 exposures. The second type Yashica Mat-124, Mat-124G and 124B have a switchable back moved forwards or backwards so the 8 tabs plus 9th for counter setting are squeezed back onto two sides.
44 models are different again. All have flat plates without ribs and are more coarsely textured than the Mat-124, 124G and 124B. The 44 and 44LM models have black plates, the 44A has an unpainted alloy version:

Yashica 44, Yashica 44A and Yashica 44LM.
However, the principle for all models is the same. At the sides of the body casting at the back of all models are two long polished film guides (one each side). Outside of these are four machined “landing pads” for first the turned up edges and then tabs on the side of the pressure plate. With the edges/tabs sitting on the pads, the clearance between the guides and pressure plate is correct for 120, 220 or 127, as the case may be. The springs in the pressure plate are to ensure that it makes contact with the pads when the back is closed.
With 66 models, there was a minor change in design with the changeover from early to new body in 1955. In the early bodies, the landing pads were square shaped and sat below the film guide level. The edges/tabs of the pressure plate were noticeably bent down to provide the correct clearance. With the new bodies, the pressure plate tabs were no longer bent. The landing pads were elongated with rounded ends (the shape is of cosmetic consideration only) but now sat above the film guides at the correct clearance for the film. Presumably, as the pads were machined anyway, this removed the need for an accurate bending/finishing process for the pressure plate. The late Mat-124 and Mat-124G/B pads changed again slightly. They are a little shorter with square ends to accommodate the two sets of tabs on each side of the pressure plate.
Below are examples illustrating 66 Model pressure plate and related body development.
Early Pigeonflex with plain pressure plate with turned up edges. The four “landing pads” sit below the film guide level. The very first Yashimaflex examples with the early single word “Yashimaflex” nameplate continue with this style but have the slight cut-away noted for the later Yashima Flex below. The change probably affected late Pigeonflexes too.
Regardless of red window or not, and except for the unique Yashica Rookie, the pattern of pressed-in ribs introduced with the Yashima Flex remained the same all the way through to the Yashica 12, including the black Yashica 24 220 back. The turned up edge still looks like the Pigeonflex version but the unused middle part between where the edge makes contact with the “landing pads” is cut away a tiny amount (hard to see in the photo) - the result is four embryonic tabs or feet. The early Yashica Flex B and Yashica Flex S pressure plates are the same (except for red window provision) and still include the pair of screws near the lower “landing pads”. Later Yashica Flex B and Yashicaflex S examples look like the Yashicaflex A-II below.
Early Yashicaflex A-II pressure plate with bent tabbed feet. Pair of screws near the lower “landing pads” have disappeared.
(Rookie detail on right from larger web image)
The new body in 1955 featured various refinements including new “landing pads” which were raised above the film guides. The tabs on the pressure plate were no longer bent. 1957 Yashicaflex AS featured in left and centre images. Note, the film counter reset rod is in the top half of the back in knob wind models and in the bottom half in crank wind models. The 1956 Rookie back in the right image features the double red window apertures along the bottom of the pressure plate and the resulting unique pattern of reinforcing ribs.
The Yashica 24 with standard black enamel pressure plate. The height of the machined “landing pads” was lower to accommodate 220 film without backing paper. The 12 EX. accessory back for 120 film had tabs that were adjusted to give greater clearance for 120 film (this is not suitable as a replacement for use on other models - see Yashica 24, Yashica 12 & Yashica Mat-124).
First type Yashica Mat-124 pressure plate showing new style and finish. The tab along the top edge of the right photo (also at the bottom near the “12” marking) is for 220 film - the slight indent is visible which represents the reduction in clearance for the missing paper backing. The position of the start marks changed with the Yashica 24 and with dual format capability added to the Yashica Mat-124, a short rod was added in above the reset one to operate the 12/24 indicator and counter mechanism. With no pressure, the camera is set for 220 but with the pressure plate rotated to the 120 position, when the back is closed, the rod bears on an extra tab on the pressure plate changing the settings to 120 (tab just visible at top right hand side of left photo). With the back open, the indicator always shows “24”. The second type Yashica Mat-124 has the sliding type pressure plate normally associated with the Yashica Mat-124G (see below). This also requires the new casting with the short “landing pads”. The changeover from the first type to the second occurred in February 1970, the last Mat-124 in my database was made in August 1970 and the first Mat-124G in September 1970, so really, the Mat-124G just inherited the second type Mat-124 pressure plate (see also Yashica 24, Yashica 12 & Yashica Mat-124).

Yashica Mat-124G showing 5 of the 9 tabs on the sliding pressure plate (left image) including the extra one to change from 220 to 120 settings. The “landing pads” are shorter to accommodate the double tabs on each side and the right side (bottom of the photo) red start mark triangle is gone (as of November 1969 Yashica Mat-124 production).
Light Seals
The Yashica Mat-124G introduced “modern” foam light seals for the camera back. All previous models used black yarn (visible in the Mat-124 back immediately below right) which rarely, if ever, needs replacing. The foam seals of the 124G invariably have to be replaced. This can include its exposure meter seals which are also found on the Yashica 24, 12 and Mat-124. Although the degenerating meter seals are largely held captive, dust/pieces can find their way into the viewfinder area including onto the mirror.
Camera Back Film Guides
All the camera backs have a film guide in the bottom over the top of the tripod mount. Most of the 66 and 44 models use a smooth, rounded fixed guide, either black or chrome depending on model. The first two images below show a first type Yashimaflex and a Yashica Mat-124 representing early and late fixed guides. Image three is a Yashica 635 which features a roller instead, presumably to assist with the smooth transport of 35 mm film. Image four is a Yashica Mat-124G, the only other model fitted with the roller guide.

Film Path
On 66 models, film is loaded into the bottom chamber, after which it turns 90 degrees before being exposed and pulled up into the top film chamber by either knob directly connected to the film spool or by gears on crank wind models.
On 44 models, film is loaded into the top chamber so that it travels flat down past the exposure chamber before turning 90 degrees towards the lower film chamber. This reduces possible problems with film flatness at the time of exposure. Unlike the knob wind 66 models, the winding knob on both the basic 44A and 44LM connect to the bottom spool via gears.
Dimensions
Comparing Yashica dimensions and weights is not an easy task. Details are only quoted in more recent brochures and user manuals and even then, it is hard to know what Yashica is measuring, e.g., the Yashica 24 brochure quotes 79 x 146 x 104 mm and 1,100 grams whilst the Yashica Mat-124G brochure quotes 102 x 148 x 101 mm and 1,080 grams and the user manual claims that it is 77 x 148 x 101 and 1,100 grams. The Yashica Mat-124 manual quotes identical dimensions to the 124G manual but the otherwise identical Yashica 12 seems to share the 24's dimensions. At least the three earlier cameras should be more or less identical.
The following table shows approximate typical dimensions and weights of both 66 and 44 series cameras. It is a guide only and makes no pretence at being accurate.
Series |
Height to Top of Hood |
Hood Size |
Width Across Back |
Body Only Depth |
Typical Depth incl. Lens |
Weight |
66 early |
142.5 mm |
68x70 mm |
75.5 mm |
74 mm |
101 mm |
890 - 1,060 g |
66 late |
145 mm |
70x70 mm |
76 mm |
72 mm |
101 mm |
890 - 1,060 g |
66 CdS meters |
148 mm |
70x70 mm |
76 mm |
72 mm |
101 mm |
1,080 - 1,100 g |
44 & 44A |
125 mm |
55x55 mm |
64 mm |
58 mm |
80 mm |
680 - 710 g |
44LM |
125 mm |
55x55 mm |
68.5 mm |
58 mm |
82 mm |
820 g |
The basic core body dimensions of each series is constant, except for the following qualifications:
- Height is to the top of the closed hood, e.g., meter protuberances are not included. Meters add little if any height except for the Yashica 44LM which is 5 mm taller at 130 mm.
- Height of older models with early body type is approximately 2.5 mm less because of marginally shorter leg height and approximately 2 mm shorter body. The late models with CdS exposure meters have a hood assembly which adds 3 mm.
- The Yashica 44LM uses the same size back as the 44 and 44A but the back closes inside the carcass which is wider at 68.5 mm.
- Basic depth measurement does not include the focusing lens board which typically adds 12 mm on an early body type, 13 mm on the later body types and 9 mm on a Yashica 44. (Early body types have a a 2 mm deeper body but at the front, the lens board is recessed by about 1 mm still leaving a difference of 1 mm - that is made up in the lens mount part of the panel.)
- Depth of camera with lens is average for Bay 1 types. An early bodied Yashica Flex S, a 1958 Yashica-Mat and a Yashica Mat-124 all measured 101 mm. Typically, 66 models with plain mounts have an overall depth of 99 mm. The Yashica E with its unique arrangement has a depth of 104 mm. The 44A is approximately 78 mm.
- Buttons and knobs are not included in the above measurements. However, crank wind models are typically 103 mm (crank folded in) and a Yashicaflex S with its meter and knobs was measured at 107 mm. Other knob wind 66 models with button release (film counter versions) are typically around 98 mm wide and red window models are about 2 mm less. The Yashica 44 is approximately 86 mm wide and the 44A and 44LM are both 90 mm.
- The four weight ranges are from basic Yashicaflex to Yashica Flex S, basic Yashicaflex to Yashica Flex S again (the Yashica E is 1,023 g), Yashica Mat-124G to Yashica 12/24/Yashica Mat-124 and Yashica 44A to Yashica 44.
Trim Changes – 66 Models
(for 44 models, see individual model entries)
There was a constant change of relatively minor trim details. In the mid 1950s, these “improvements” usually appeared across the model range at a similar time without being saved up for a new model e.g. many models started with a “bent strap” locking lever but later received the more substantial “moulded” type (there was an earlier type introduced by the Pigeonflex and a later basic variant seen on Yashicaflex A, A-II, Rookie and Yashica A models). This change occurred with the very late Yashicaflex model S , middle of the Yashica LM run and very early Mat. The Yashica LM had the accessory shoe move from low set to high position, hood redesign, locking lever redesign, change from semi to fully auto film counter reset, new style spool knobs and move of serial number to the nameplate exposure meter flap all at different times in the model run. The trim changes slowed in the 1960s but there were still a few.
This system of introducing changes without a hard cut-off for release of, e.g. a Mark 2 version, meant that the new parts appeared when the old parts were used up. I don't know how many production lines there were and also because of cameras getting held up for one reason or another (e.g. I am guessing rework, testing) there were often periods of transition when a mix of earlier and later trim parts and even shutters appeared near the change over point. This rarely lasted longer than a few hundred cameras, maybe two or three weeks production of a particular model.
One commentator has claimed that there are three versions of the Yashica 635 based on the three separate hood logo styles. Unfortunately, that is not the way Yashica worked and it doesn't take into account the changeover to Yashinon lenses, the subtle changes in the 35 mm kit or any number of changes that may have occurred under the skin, all at different times. The hood logos are just one element that changed over time. Trying to categorize Yashica TLRs into clear versions by feature sets is not helpful in most cases. The best way to describe the “version” of a Yashica TLR is by its date of production (if it can be determined) and/or a description of the features that were known to change during the model run.
As alluded to earlier, a few collectors and at least one author have suggested that given supply issues in early post-War Japan and their experience with other camera makers in both Japan and elsewhere, many of the multitude of “variations” seen with Yashima's early cameras are related to supply chain issues. Whilst I dispute that, one thing I am absolutely certain of is that there is nothing random in the pattern of variations, e.g. using whatever make of shutter was available at a point in time. Looked at in isolation, a camera's specs may be confusing but with a big enough sample and placing cameras in order of serial number, the patterns become clear.
Feature & Trim Change Timeline
This table and the Yashica TLRs & Specs Table in the “Models & Specs” section together provide a multi-dimensional view of the Yashica model hierarchy and spread at any given time. (Note, this table does not include the Yashicaflex AS-I or Yashicaflex AS-III as not enough is known about their features and trim.)
(Click on table for full screen view)
Notes
The introduction of the new style body with the long strap holders probably occurred in the first half of 1955. A photo of a Yashicaflex A-I or A-II, still with short strap holders, appears on the cover of the influential Japanese magazine Shashin Kōgyō (Photographic Industry) No. 34 of April 1955 (see Camera-wiki.org). It is believed that the Yashicaflex C was released in September 1955. It was the first model without the earlier body version.
I have referred to “premium” and “budget” models. Some models such as the Yashicaflex AS-II and A2 are middle of the road with some features from each category. The dark blue cells represent the models that were in production at the time that a change was introduced but to put this into perspective, the change in spool knobs, for example, occurred at the very end of the Yashicaflex S model run and at the very beginning of the Yashica A. In between models were affected at different points in their model runs.
Locking Levers
The change from “bent strap” to “moulded” locking levers in 1957 was a simple but key event that helps with dating cameras from that period. However, there are other subtleties as well, mainly affecting earlier models.
What is a “locking lever”? It is the strap on the camera base that moves in and out to secure the hinged back to the front panel of the camera. On the early cameras, it was two piece with a hinge in the middle and on later cameras, it was one piece (the short unlocking lever in the Pigeonflex mechanism below is probably more technically a “locking lever” but in early user manuals, Yashima refers to both parts by that name). In assembling charts, Yashica called it “locking lever” up to and including the Yashica Mat-LM/EM and “locking arm” after that. In user manuals, they also referred to “back cover locking bar” (Yashica 24) and "back cover latch" (Yashica Mat-124G).
The linear in-out movement is caused by the transfer of rotational motion from initially a separate short lever and then the central, circular mechanism which incorporates the tripod socket. I have called this the “locking knob”, although on early models, I have used “tripod mount”. “Locking knob” and “tripod mount” are terms that as far as I am aware, Yashica never used. In assembling charts (commencing with the Yashica D), the knob is simply called the “eccentric ring”. In the Yashica D user manual, Yashica asks you to turn the “tripod socket” to lock or unlock the back. The Yashica Mat-124G user manual refers to the “back cover locking ring”.
Rollei-like Pigeonflex locking lever shown closed and open.

Except for tripod mount trim, these continued unchanged on the Yashima Flex, Yashica Flex B and on the new budget Yashicaflex A-I and A-II models until the cable shutter release was replaced on the Yashicaflex A series by the press button release on the later, long strap holder bodies.
Illustrated below is what I mean by “bent strap” locking lever and “moulded” type (introduced in 1957), for want of better descriptions. These levers were fitted to all higher and mid spec models from the late Yashicaflex S forward but also to some lower spec models.

(See “Locking Knobs” below for larger images.)
The bent strap first appeared on the Yashicaflex S and Yashicaflex AS-II models but initially, the bent strap was used with the Pigeonflex locking mechanism in a hybrid arrangement – see far left (Yashicaflex S Copal shutter version shown with two ring tripod mount). Later cameras are identical to the later Yashicaflex S and early Yashica LM second and third from the left. The right hand cameras with moulded levers are a Yashica Mat-LM and EM but this style already appeared on the last of the Yashicaflex S cameras.
The moulded levers changed to black on the Yashica Mat-124G and Mat-124B.
With the replacement of the Pigeonflex style locking lever on later Yashicaflex A-I and A-II production, they, the first of the Yashicaflex Cs and the subsequent Yashica A and Rookie models, received the new locking mechanism and knurled knob but the bent strap which acted as a steadying foot was replaced by a marginally simpler, hook-like arrangement seen here on a late Yashicaflex A-II.
.jpg)
This carried through to the end of Yashica A production in the late 1960s.
Tripod Mounts/ Locking Knobs
First Style Tripod Mounts & Direction Arrows
Whilst the early Pigeonflex type locking assembly with hinged lever remained the same until replaced by knurled knob type with one piece lever, the tripod mount detail and arrow graphics did change. The montage below shows models on the horizontal axis and time and variations on the vertical axis (note, photos are of actual examples of particular models):
(Yashica Flex models S with 4 rings and double arrow feather and three rings with single sided feather outline, courtesy of Tom Heckhaus; Yashicaflex model AS-II with single sided feather outline, courtesy of Chris Whelan; detail from larger web images as noted)
(Click on image for larger view - recommend viewing at 100%, i.e. larger than full screen)
The four ring types (2 wide spaced, 4, 3 or 2 close spaced) and six arrow types provide a high definition view of the sequence of early models (pre-Yashicaflex model C), model variations and how they relate to each other.
Tripod Mounts/ Locking Knobs from Beginning to End
Ignoring early arrow permutations, this is a broader view of all locking assemblies from beginning to end. The Pigeonflex started with two rings:

From at least near the beginning of Yashima Flex examples, the tripod mount had four thin equally spaced rings. This carried over into the early Yashica Flex B. Later Yashica Flex B cameras had two thinner outer rings and a thicker inner ring. The three ring version carried over to the very first of the Yashicaflex A-I and A-II examples and also appears in the Yashicaflex A user manual. It probably changed to the last two ring type before the AS-I, AS-II and MolfoReflex were released:

First the four and then three ring tripod mounts with bent strap locking lever are found on early Yashica Flex S examples with NKS-FB shutters before the new two ring style appeared with the Copal shutter:
.jpg)
Later Yashicaflex S locking knob (also found on most Yashicaflex Cs and cameras up to and including Yashica-Mats with 75 mm Lumaxar lenses); Yashicaflex A-II late type locking lever (same as A-I late, first Yashicaflex C examples and Yashica Rookie and Yashica A) and late 1950s Yashica A without “Made in Japan” (see below). Note that the leatherette insert changed to match the camera covering's colour and texture.

1967 Yashica Mat-EM with moulded type locking lever first introduced in mid-1957 (the all chrome version was used up to and including the Yashica Mat-124). Until at least 1962, “Made in Japan”, was engraved and the letters filled in with black (see above). My Yashica E, Yashica Mat-EM and Yashica 24 have thicker strokes on the letters which are left chrome but the Mat-124 has a finer engraving again, but without the earlier black paint. The second camera is a late Yashica 635 with black plastic knob from the Yashica Mat-124G (the late Yashica D and Yashica-Mat are the same) and first appeared at about the time of the 124G release in September 1970. The last example is the Yashica Mat-124G with black lever also.

(Images 1, 2, 3, 4, 5, 6, and 12 courtesy of Tom Heckhaus, image 10 courtesy of Göran Årelind)
“Made in Japan” (as well as “Hong Kong” and “Brasil”)
In the early days particularly, “Made in Japan” was not always present and appeared in different places. It was more likely to be there if the model was intended for export and sometimes it may have only been there if the particular example was part of an export batch. The first instance of it appearing on any model that I am aware of is on the nameplate of earlier the Yashica Flex model S examples with NKS-FB shutters, but not the first ones with maker name. On some examples of various models it was hidden away inside in the film feed chamber and therefore hard to track from photos which rarely feature this area. The earliest internal examples that I have found are four Yashica Flex model B examples, three from fairly late in the model run and one without discernible serial numbers:
(Detail from larger web image)
The last Yashica Flex model B example in my database is one of the cameras but unlike the camera above, it has “Made in Japan” on one line.
It is not known whether this was a general change for the Model B, or only applied to export examples. There are similar examples of the Yashica Flex model S from a similar time starting with the introduction of the new textured nameplate, near the replacement of the NKS-FB shutter with the Copal type, when “Made in Japan” disappeared from the nameplate meter flap. It doesn't seem that all the model S examples from the period have it so it may be an export, or specific market, thing. In any case, it was soon superceded.
The new style locking levers and knobs introduced in 1955 (see Tripod Mounts/ Locking Knobs above) were originally without text but “Made in Japan” was soon added during Yashicaflex S production (my fairly late example with serial number 71513 has it already as does my Yashicaflex A-II with highest serial number in the database, 214617). However, there was a period, or periods, from about 1957 to the end of 1959 when “Made in Japan” was again absent from the knobs. With the Yashica A, it hadn't arrived yet at the beginning in 1956 (even though the early Yashica C released at the same time had it), appeared shortly after only to disappear when first “Made in Japan” and then simply “Japan” was engraved in the accessory shoe:

“Made in Japan” is also engraved in the accessory shoe of the very first 635 examples only but the locking knob remained without text until the end of 1959. With the Yashica-Mat, it was there for the 75 mm Lumaxar lens versions which had a blank cover plate under the crank. The versions with 80 mm Lumaxars and all later ones with Yashinons had a cover plate with “Made in Japan” so at first, “Made in Japan” disappeared from the locking knob but it returned at the end of 1959.
(First image courtesy of Göran Årelind, second & third images courtesy of Tom Heckhaus)
As far as I can tell, the Yashicaflex model C, with a lifespan from 1955 to 1957, did not have “Made in Japan” on the locking knob. Examples with the early style focus knob with the scale in metres (most common) have “Model C” by itself inside the film feed chamber but two early cameras, with the rare focusing scale in feet, certainly export examples, and the feed chamber visible add “Made in Japan”. I presume that applies to all early examples with feet scales:
(Detail from larger web image)
The Yashicaflex A-I seems to have been an export model exclusively (except for the very earliest types with black lens board trim) so early and late types, with focusing scales in both metres and feet, are found with “Made in Japan” inside just like the Yashicaflex C above.
Initially, it was somewhat surprising to me that as an export model, the Yashica LM did not have “Made in Japan” on its locking knob for at least the second half of its production and in the first half, there seem to be periods of both with it and without it. At least some examples had it with the serial number inside somewhat like the Yashicaflex C above. However, I couldn't see the wood for the trees, both the Hi-Mec and Yashica LM display it proudly regardless of whether it appears elsewhere or not:

On the the other hand, its meterless companion, the Yashica C, had “Made in Japan” on its locking knob for most of its parallel life span, except for the very last few examples. These and the last of The Yashica LMs have “Made in Japan” on the faceplate instead, just above the shutter name. Regardless of what appears on the locking knob, this was now a feature of all future knob wind Yashicas with faceplates, including the Yashica B without Bay 1 mounts, but obviously excluding the Hong Kong made Yashica D (those with “Hong Kong” on the locking knob, not necessarily those with the “H” prefixed Hong Kong number). It did not appear on the front of any crank wind models as far as I can tell:

(Yashica C detail left from larger web image, Yashica B detail right courtesy of Göran Årelind)
The Yashica C example below has “Made in Japan” in the film feed chamber but I don't know if it also appeared on its locking knob or faceplate (I haven't kept any other details than the image):
(Detail from larger web image)
Fifteen of the last type Yashica Ds have Hong Kong prefix “H”serial numbers and of these, eleven have “Hong Kong” instead of the usual “Made in Japan”:
(Image courtesy of Leigh Harris)
The last three with the Hong Kong serial number prefix and also the last of the standard prefix “D” serial numbers have locking knobs with simply “Japan” with the engraving filled in with white paint (there may be a metallic insert as on the 124B underneath):
(Detail from larger web image)
There is also a meterless Yashica Mat-124G called the Yashica Mat-124B which was assembled in Brazil. This has “Brasil” in white on what looks like a metallic ring insert (see the appropriate entry in “66 Models”).
(Image courtesy of Sandu Baciu)
Focusing Hood Logos (Finder Marks)
Logo Styles
What Yashica call “finder mark” in their assembling charts, I call “hood logo”. Some of the logos also appear on cases and other items and the term itself is also confusing, at least to me. This, plus a couple of others further down, are my few conscious departures from Yashica practice. The Yashima Pigeonflex and first Yashimaflex didn't have a hood logo or a sports finder panel:
1953
(Both with damaged leatherette)
Below are all the different hood logos and styles that appeared on subsequent Yashima/Yashica TLRs (nameplates are only somewhat representative of the various styles, there are other variations, even amongst the same model - refer to Identifying Models & Variations by Nameplate, or the relevant entries in 66 Models):
1954-1956
1956-1958
1959-1986
(Fourth image top row courtesy of Jean-Marie Bussiere, and except for the first image, all other images courtesy of Tom Heckhaus)
Apart from models without logos (e.g. Yashicaflex A-II, second from left top row, more likely to be lower end domestic models), four basic styles were used from Yashima Flex to Mat-124G. I refer to these as the “stylised Y”, the “Yashicaflex C oval” (short lived but now known to be found on the Yashica Hi-Mec also and quite possibly the Yashicaflex A-III), the “narrow Y” and the “wide Y”. The first style logo was in place from the 1953 or 1954 Yashima Flex (released as the “Yashimaflex” in 1953 without hood logo) through to the last of the Yashicaflexes and on the Yashica-Mat and Yashica 635 until around February/March 1960. The outer silver square on the hood of the Yashica LM and other earlier camera models in production at the time disappeared in the early part of its model run (probably early 1957). Coloured cameras received the “narrow Y” first (see below) starting with the Yashica D in November 1958. The fourth style logo was first introduced in 1965 (the last of the 44LMs may have been the first to receive it in early 1965, then the new Yashica 24 and then the Yashica D, 635 and Mat from the beginning of 1966).
The introduction of the “narrow Y” logo, with the heavy serif font associated with Hollywood westerns and “WANTED” posters, and the similar style for the name between lenses seems to have been a continuation of the US marketing campaign which had commenced with ads and brochures in 1956 coinciding with the release of the export focused Yashica A, C and LM in 1956.
Logo Variations
There were variations in logo colour and size. The first logo had a minor variation around early 1955 when the outer ring became more prominent (Yashica LM, 1st from left, middle row). The logo itself is a black stylised “Y” on a black triangle on a black background, the graphics outlined in silver. In 1957, the colour of the triangle was changed to white and the thick enamel changed to paint on a textured background. This affected all models in production at the time plus the new Mat received a gold “Y” in place of black to signify its superior status (brochures and ads for the early Yashica Mat-LM show the same logo but all found so far have the later narrow “Y” on blue background).
For most Yashicaflex C examples, the oval is silver with red outline and text as it also is on the single Yashicaflex A-III example found. However, four examples with serial numbers in the 540xxx to 545xxx range (approximately in the middle of the model run with the new nameplate style already but amongst the last with the early focus knob still), appear to have a black outline and text as found on Yashica Hi-Mec which is from around the same period. The Hi-Mec turned into the Yashica LM and the logo reverted to the stylised “Y”.
The first narrow “Y” was on a gold background and was used only in 1958 to 1959 on models offering colours other than, or in addition to, black. It appears from my database that whilst the coloured versions of the Yashica A and D were in production, very few black versions, i.e., with black leatherette, were available. The gold logo version does appear on both grey and black Yashica B and Auto examples and the one late black Yashica D from towards the end of the colour era. Other models only available in black such as the Yashica-Mat and Yashica 635 retained their earlier logos. Although these cameras may have been considered more serious, it may simply have been the case that the gold logo was introduced to work better with light coloured leatherette. On 66 models, the logo first changed to a blue background on the Yashica D in October 1959 and all coloured and black cameras followed suit including the Yashica-Mat and Yashica 635 as well but not until about March 1960. Note that the Yashica Auto with its gold logo and the Yashicaflex B (new model) and Yashica C and LM with their earlier logos had all ended their production runs by this time and are not found with the blue background logo unless there has been a repair.
Interestingly, the introduction of the blue background logo came to the Yashica 44A and 44LM first. Details are in Introduction of Blue Hood Logos on the 44 Models Page. In brief, both models fully adopted the blue logo in August 1959 but some black and Pastel Blue 44As received the logo from as early as the first month of production (April 1959) as did nearly all black 44LMs from the beginning of its production in May 1959. This may be a legacy of the Yashica Auto 44 which I believe was a prototype for the 44LM. This was probably a black camera (there is only a single B&W photo) and it has a narrow “Y” logo on a dark background, certainly not gold.
Earlier Yashica Mat-EMs from 1964 had a unique silver background before all cameras still in production in 1965 changed to the “wide Y” (half of the Yashica EMs in my database have the earlier type and half the later type).
There were some minor finish variations of the “wide Y” logo as well. Earlier cameras have background texture reminiscent of the Yashica Mat-EM, Yashica 24, Yashica 12 and Yashica Mat-124 leatherette covering including the logos on my late Yashica 44LM and my January 1966 Yashica D, the first D with “wide Y” logo (see below) and 1967 635. The last of the Yashica Ds, 635s and Yashica-Mats, as well as the Yashica Mat-124G, have a background pattern mimicking traditional leatherette. The logos are generally shiny silver in tone but some look much “warmer”, perhaps through wear? My late Yashica 44LM, Yashica Mat-EM, Yashica 24 and Yashica Mat-124 are clearly silver as is my 1967 Yashica 635 but my Yashica D looks much brassier and duller, although cosmetically, the camera looks pretty good without obvious wear (photos of other Ds and models show a range of tones, undoubtedly many/all are due to reflections but at least one other 1966 D looks identical). Yes, the lighting is different but the difference is evident in any lighting. Not sure about the reason. 1966 Yashica D on left, 1967 Mat-EM, 1971 Yashica 635, gold Yashica Mat-124G on right:

(Right two images courtesy of Tom Heckhaus)
Focusing Hood Assemblies
There were two basic body types; epitomised by short strap holders (hinge plates) and long strap holders. The changeover occurred in 1955. There were also two basic types of focusing hood construction but the changeover was later - around the time of introduction of the Yashica-Mat in April 1957. The early hoods had aluminium side and back panels, or “blinds” in Yashima terminology, and the whole assembly was attached to a square steel collar bolted to the camera body. The early type is easy to recognise; the front panel, apart from the Pigeonflex, has two silver square ridges (see above in “Logo Styles”) and the rear blind has three reinforcing panels, except for some early Yashima Flex examples after which the bars on the back of the hood are a long unbroken pair. The newer type has a single silver square border on the front, two reinforcing panels on the rear and the bars on the rear of the hood are short in two pairs. The construction is also reversed. The blind is now of steel and the square mounting collar is aluminium. The perimeter of the hood front panel, or top, is aluminium on all types. The centre panel (the flip up sports finder on all except the Pigeonflex and first type Yashimaflex) is steel for strength.
The physical dimensions and outline appearance of the hoods are basically the same and they are mostly interchangeable between early and late bodies and versions and between models, except for things like hood operated meter switches of late CdS models (note, it is not uncommon for cameras to be found with out of character hoods, even Sugiyama displays an early bodied 1954 Yashica Flex S with a 1959 or later focusing hood). Sometimes the screw holes don't quite line up - people then elongate the mounting holes in the hood.

Early 1954 Yashica Flex S with NKS-FB shutter and Tri-Lausar lenses on left and 1957 Yashicaflex AS (new model) on right.
The pair/s of bars on the the back of the focusing hoods are pressings in the aluminium and the “silver” is simply the surface machined flat.
First Construction Focusing Hoods
Below are representative styles from beginning to early 1957 of the first construction type focusing hoods:

Yashima Pigeonflex on left with no bars on the rear of the focusing hood, standard with the earlier “Yashima Seiki Co., Ltd.” on the nameplate and the first half of cameras with “Yashima Kōgaku Seiki Co., Ltd.” However, the earlier examples of these hoods with the first type magnifier and rear set magnifier release (see below) had more and finer bars in the indentations as in the example shown (there is an even earlier variation - see Pigeonflex). The second hood with short, black parallel bars belongs to a Yashima Kōgaku Seiki Pigeonflex. Note that unlike the earlier type , there is no hood rest bar. There are at least two late examples without parallel bars that don't have the hood rest in addition to the two of the last Pigeonflexes which add a small silver knob to provide a finger grip for raising the focusing hood:

(Images courtesy of Sandu Baciu)
The reinforcing on the rear panel of the second Pigeonflex is almost identical to the early Yashica LM next to it (third hood at top) except that there is no cut-out for a sports finder. Although just under the first half of Yashima Flex examples in my database are either Pigeonflex-like or quite different to anything else, see below, the later Yashima Flex cameras already looked identical to the 1956 Yashica LM including the continuous parallel bars.
Hood Assemblies - Yashimaflex & Yashima Flex
There are earlier variations of the Yashimaflex (with single word nameplate) with Pigeonflex-like focusing hood still (i.e., without sports finder and hood logo, see second Pigeonflex hood above with short black bars and no rest bar). The first Yashima Flexes, with NKS shutter still but with sports finder and hood logo already and some early examples with NKS-TB shutter (fifteen found in total where the hood rear is visible), are also unique. These have a split top bar and continuous bottom bar on the rear of the hood. They also have a completely different “U” shaped focusing blind rear panel pressing (left pair of photos below), which somewhat resembles the Rollei style and the complete assembly, including the silver bars, looks very similar to the Shinano Pigeonflex Model IA (middle pair of photos). Coincidence?
In amongst these examples, two cameras with NKS shutters and the first example with NKS-TB shutter (end pair of photos) received the later style blind (similar to the Pigeonflex and earlier Yashimaflex but now with square hole for the sports finder) but they also have the short bars of the Pigeonflex and Yashimaflex rather than the pair of long parallel bars which became standard with later examples. Note that unlike the Pigeonflex and Yashimaflex, there is a hood rest bar and the short bars on the example below are silver - these are either filed or poorly machined.


(Image 1 detail from larger web image, images 2, 4 and 5 courtesy Sandu Baciu, images 3 and 6 courtesy of Tom Heckhaus)
Second Construction Focusing Hoods
Below left is a 1967 Yashica Mat-EM focusing hood. Apart from the serial number on the back, it is pretty much the same as fitted to the 1957 Yashica-Mat and Yashicaflex AS which were the first models to be released with the new type hoods. Earlier models still in production, such as the Yashica A, C and LM switched over at a similar time. In 1967, the parallel bars and silver hood rest bar changed to black on all models still in production, including the last of the Yashica 12s and Yashica As. Most other cameras seemed to be around July-August but the Yashica A may have been a bit earlier. Yashica Mat-124 shown on right:


However, sometime between 1957 and 1964, there was some fiddling. In both both pairs of photographs, 1957 Yashicaflex AS on left, 1964 Yashica E on right:

The angled bars in the two panels of the hood blind of the Yashicaflex AS have a coarser pattern with about 13 bars in each panel (depending on how corners are counted) compared to about 19 for the Yashica E. The coarser pattern seemed to commence with the new type hood first fitted to the Yashica-Mat. The pattern changed to the finer type at about the time of the release of the Yashica D in 1958 and remained through the Yashica E and earlier Yashica Mat-EM examples. The Yashica 24 reverted to the earlier coarser pattern as did all models in production, possibly at the same time in late 1965 but certainly by 1967. Note that the quality of the pressing of the finer and later coarser types (see below) is improved over the first type.
The focusing screens are more interesting. The Yashicaflex AS has a wider frame at the back of the ground glass but evenly spaced grid lines front to back. The Yashica E grid lines are narrower at the front than the back as if the ground glass was in the same place but the frame had been moved back (other cameras from the same periods are similar). The screen on the Yashica Mat-124G is back to being evenly spaced. Note, other crank wind models have a grid of 5x5 even, small squares. The Yashica 635 has just a rectangular outline in the centre, much like the centre part of the above screens, but with parallax marks added. It represents the 35 mm field of view.
Quite early in 1968, the paint finish on the focusing hood blinds changed from a smooth satin to a textured type on all models in production including the new Mat-124 (which started with the smooth satin finish), very last of the 1968 Yashica 12s and Yashica As, Yashica-Mat, Yashica D and Yashica 635. 1969 Yashica Mat124 shown.

Hood Rest Bars
The earlier hood rest bar on the examples with three reinforcing panels, including the Pigeonflex type, was a chromed steel insert in the steel focusing hood mounting frame. With the change to the second construction hood, the chromed hood rest bar was replaced by an aluminium bar with machined face, later left black. With each successive each model, it melded into the aluminium frame more and more (not to scale):

Top is Yashica Flex B, middle is 1958 Yashica-Mat and bottom is Yashica Mat-124.
Focusing Magnifiers
This is the magnifier from the first Pigeonflexes with magnifier release towards the rear of the hood:

The later Pigeonflex type below has a magnifier with full size square frame and a release towards the front of the hood to match the indent and square hole in the frame. Subsequent models with sports finder do not require a magnifier release but have the sports finder release (for when the centre panel has been pushed in and locked down) on the bottom right of the back panel:

Next to the two Pigeonflex hoods is the type found on later Yashima Flexes and all focusing hoods with the two, long unbroken parallel bars (Yashica Flex B shown) followed by the final type introduced with the revised hood assembly in 1957 (Yashica-Mat, approx 1958, shown):

Note that the very earliest type Yashimaflex is the same as the second Pigeonflex. The early Yashima Flex with Shinano Pigeonflex IA-like focusing hood has its own unique magnifier:
(Detail from larger web image)
Film Winding Knobs
Film winding knobs are relatively simple affairs. On the Yashima/ Yashica made TLRs, they are characterised by a film type and/or film speed reminder function which is set by turning the dial, with the aid of two pins for grip, to the reference mark. The style of reminder scale developed over time and variations appeared at much the same time across all models. In around 1958, the film winding knobs on “Yashica” named models changed to a half silver, sometimes referred to as white, (for DIN scale), half black (for ASA scale) face with complimentary text colour. Earlier scales were very similar in appearance to each other with film type or film speed displayed on what I will call “flags”, usually on a black background.
First Models
The Pigeonflex debuted with 6 film type reminders in white flags on a black background. It remained unchanged on the Yashima Flex and Yashica Flex B except that the knurling on the film winding knob was finer on the later models, Yashica Flex B shown. The chrome centre of the knob secures the knob to the shaft and also retains the rotating reminder flags.
(Click on image for larger size)
(Second image courtesy of Tom Heckhaus)
Premium Models with Auto-stop Function
The Yashicaflex S had a film counter and auto-stop function so it received a film release button in the centre of the knob. Initially, it had a hybrid arrangement with 6 inner, flatter, flags with the same type of film reminder as before but now also an outer ASA film speed scale. The first style release button has a black inner dress ring (identified by Sandu Baciu). The black ring disappeared with the first Copal shutter version. Later Yashicaflex S and other models received a simplified knob face with ASA film speed reminder only in 8 silver flags with speeds 10, 16, 25, 32, 50, 100 and 200 (plus “ASA”) with 10, 16 and 32 in red type. Very shortly after, the number of flags increased to 9 with the addition of ASA 80. Speeds 10 to 32 are now all in red type. There was also a very minor simplification of the flag graphics. The last type has the dual DIN/ASA scales.
Here they all are:
(Click on image for larger size)
(First and third images courtesy of Tom Heckhaus)
There are five Yashica C and nine Yashica LM cameras in my database with 10 flags each. These cameras have film speed reminder scales in the German DIN scale used in Europe and focus scales in metres whilst all the rest of the cameras in the respective model series have feet scales with film speed reminders in ASA. This suggests that these two were export only models - USA for feet focusing scales and Europe for metres. Four Yashicaflex AS-II cameras with a metre focus scale also have the 10 flag DIN film speed reminder. The few other examples with metre scales either have the flags not visible, or are earlier types. The 10 flag DIN scales are from the same period that 9 flag ASA reminder scales were in use. The AS-II was probably an export only model as well. Example below is Yashica LM:
(Click on image for larger size)
(Image courtesy of Guus Hommes)
Budget Models
The budget models were different. There were two basic categories. The Yashicaflex A-II had film counter and auto-stop function so it needed a release button in the centre like the premium models but in place of the flags, on the earliest examples with Y.S.K. shutter there was initially a circular metal plate with two black rings. This was soon replaced by a black leatherette insert. At the same time, the centre button changed from what looks like the earliest Yashica Flex S type (NKS-FB shutter) to the later Yashica Flex S type (Copal shutter). The last iteration of the Yashicaflex A-II with press button shutter received the fully featured film winding knob from the Yashicaflex S, Yashicaflex AS-II and by then, Yashicaflex C, first with 8 flags and very shortly after, 9 flags.
(Click on image for larger size)
(Left image courtesy of Sandu Baciu, right image courtesy of Tom Heckhaus)
Without auto-stop film winding, the early Yashicaflex A-I didn't need a release button in the centre. It had a plain black leatherette, full diameter insert in place of the chrome centre and flags of the first models with red windows. The most recent Yashicaflex A-I cameras received the outer flags of the premium models but with a black leatherette disc in the centre in place of the chrome button or the earlier screw-in cover plate. This arrangement continued with the Yashica A with both its 9 flag and black and white film winding knobs (seen here in light grey leatherette instead of black). The Rookie was unique with both a black leatherette centre and a plain leatherette outer ring separated by a chrome trim ring (Yashicaflex A-I/ Yashica A knob with flags replaced by leatherette).
(Click on image for larger size)
(Images courtesy of Tom Heckhaus)
As with the Yashicaflex AS-II and Yashica C and LM, there are also four early Yashica As with a 10 flag DIN film speed reminder scale (and metric focus scale) almost certainly destined for European export.
(Click on image for larger size)
(Image
courtesy of Göran Årelind)
With the exception of the earlyish Yashicaflex A-I, almost the first half of its MolfoReflex clone and the very early examples of the Yashicaflex A-II and the AS-II example in the user manual, all models have knurling on the outside half of the film winding knob only (see photos of other models below in “Focusing Knobs”). The full width knurling on the early Yashicaflex A series cameras is also coarser than the Yashima Flex, Yashica Flex B & S models and Yashicaflex C. The early Yashicaflex A-I (and MolfoReflex), with the full leatherette covering, has full width knurling with a centre groove and the other two add the centre release button in a style which continued for some time but the inside knurling disappeared very quickly. The full width style of knob with centre button is reminiscent of later Rolleicord II models.

(Images courtesy of Tom Heckhaus)
Other Variations
Whereas other models have silver flags on a black background, the Yashicaflex A2 with leatherette centre, and the Yashicaflex A (new model) with release button centre, have white flags on a white background with the outline of the flags in black and red. The A2 centre leatherette disk is missing:
(Image on left courtesy of Sandu Baciu, on right, detail from seller's image of Leigh Harris’ camera)
Focusing - Knob Wind Models
Although the knurling on the Pigeonflex was coarser, the Pigeonflex, Yashima Flex, Yashica Flex B and Yashica Flex S with NKS-FB shutter had similar focusing knobs that I have found with metre scales only. The fixed aperture scale for depth of field (DoF) became more vertical, or flatter, with the advent of the Yashicaflex S with Copal shutter and scales could either be in metres or feet. The early Yashicaflex A series knobs are similar to the Yashicaflex S with Copal shutter but with coarser knurling (see photos in previous section). Two fairly late production Pigeonflex examples and three similar vintage Yashimaflex examples (with single word form of the name in capital letters), plus an ad with a similar example, have been found with a black DoF scale backplate with white text. Shown here are Pigeonflex, early Yashimaflex (the two similar Pigeonflex examples also have the finer knurling), Yashima Flex and early Yashicaflex S with Copal shutter and more vertical DoF aperture scale backplate and scale in feet:
.jpg)
(Third image from left, courtesy of Tom Heckhaus)
A new style knob and DoF scale arrived in early 1956. This changed to dual metre/feet scales in around February 1960, initially with the inner metre scale using yellow numerals before changing to white for both scales in about February 1962. Late Yashicaflex S (circa 1956), March 1960 Yashica B with the yellow metric scale and January 1966 Yashica D with dual white scales.

The black plastic end caps all appear to be the same size. Generally, the early style knobs above and also on the Yashicaflex A series, had the same flat style end caps except for the early Yashicaflex C which already introduced the domed centre end cap seen on the three later type focusing knobs above. The Yashica Rookie and Yashica A received their own unique style. This also appears on the Japanese market Yashicaflex A (new model) marketed in Japan as the Yashica A but not on its export twin, the Yashica B. Below are early Yashicaflex C and Yashica A end caps. Note that uniquely, the early Yashicaflex C has the DoF apertures on the backplate marked in red. The end caps for coloured 66 models matched the metalwork, i.e., there are grey and Burgundy Yashica A III end caps and grey, Burgundy and Golden Brown Yashica D end caps.
(Images courtesy of Tom Heckhaus)
Focusing - Crank Wind Models
The early Yashica-Mat focus knob includes ASA and DIN film speed reminder windows in the end cap and is found with both metre and feet scales. It is also used on the Yashica Auto where it is only found with a metre scale. It changed to dual scale, first with a yellow metric scale and then both scales in white at the same time as the knob wind models. The Yashica Mat-LM knob has an inner dial with window to set the film speed in ASA and an outer dial to set to the light value reading from the exposure meter so that combinations of aperture and shutter speeds can be read off. The example below has early dual scales with metres displayed in yellow - this changed to all white for both scales in about February 1962, same as the Mat and knob wind models. The Yashica Mat-EM doesn't require the exposure scales for its improved meter arrangements and reverts to the Yashica-Mat style knob but as film speed in ASA is set at the meter, the ASA and DIN windows become a converter from DIN instead of reminder (although the meter setting is easy to bump from its position). The Yashica 24, 12 and Yashica Mat-124 focus knob end caps are plain without any function apart from decorative. The Yashica Mat-124G and 124B changed to a black backplate with white numerals for the aperture scale and re-introduced a film type reminder function, previously only seen on the early models. Not generally known is that until the end of 1970, the outer feet scale was yellow:

(Image 5, detail from larger web image)
The Yashica Mat-124G focusing knob is also found on the last 22 Yashica-Mats in my database made from about September 1971 onward, however, these cameras retain the original style black on silver aperture scale:
(Detail from larger web image)
Spool Knobs (Spool Supports)
First called “film spool locking springs” in user manuals with first the “film” dropped and then the Yashica 24 introduced the name “spool locking knob”. The Yashica description in “assembling charts” is “spool support”.
Early spool knobs were full width and the backing plates were fixed with 3 screws. First the screws disappeared (middle photo, the backing plate now screws in), then very shortly after (probably less than 12 months) the knobs changed to an edge ridge design in 1956. The examples below also highlight the difference between early (first photo) and late body castings. (Note - the 3 screws also still appeared in the first of the later bodies)

(Second image courtesy of Göran Årelind)
Strap Holders
Some call them hinge plates and other things, Yashica calls them “strap holders”. I'm sticking with strap holders. These served the same purpose from beginning to end - to provide a pivot point support for the camera back and also an attachment point for the camera's neck strap. Consequently the changes are relatively minor and cosmetic, the main change coming with the new body in 1955 when the strap holders changed from approximately half the body width to full width.
Short Early Body Types
Three variations found:
Three Pigeonflexes used as examples; early Pigeonflex Seiki example with small screws, early Pigeonflex Kogaku example (from middle of Yashima made examples in my database, there are more like this one) with longer plate and repositioned front screw and later Pigeonflex Kogaku example which reverts to the first type strap holder but uses larger screws. The third type appeared on all Yashima's subsequent early body cameras (Yashima Flex, Yashica Flex B, early Yashica Flex S and early Yashicaflex A-I, A-II, and AS-II).
Knob-Wind Models
Three known variations:

First example is a Yashicaflex A-I. When the Yashicaflex A-I and A-II changed to the new body, this is the strap holder type that they received. Sometime before the two models changed from cable release to a shutter button, the strap holders were updated to the second type. The second type was probably released at the same time as the first type but was initially reserved for the Yashica Flex S and Yashicaflex AS-II. It was also used by the new Yashicaflex C and A-III (above example) models released in the second half of 1955. The second type would also be used on all future knob wind models except for the five cameras that used the third type strap holder, the 1956 Yashica Rookie, Yashica Hi-Mec (forerunner of Yashica LM), Yashica A and Yashica LM (example shown) and 1959 Yashica A-III. The narrow two screw third type was presumably used on the Hi-Mec and LM because of their more cramped accessory shoe/meter read-out arrangement and on the others, because of economy, or perception of economy. Both uses originate in early 1956 (Hi-Mec and Rookie).
In April or May 1970, the strap holder attachment screws on the Yashica D changed from slotted to cross head type (most probably Japanese JIS standard). The same change occurred a little later, around August 1970, on the 635 (example shown). As noted below, the accessory shoe screws for these two models changed two years earlier in 1968.
(Image courtesy of Tom Heckhaus)
Crank-Wind Models
Three known variations:
The first type was used by the Yashica-Mat (1957 example above), 1959 Yashica Auto, 1960 Yashica Mat-LM and 1964 Yashica Mat-EM. The second type was used on the first three CdS models; Yashica 24, Yashica 12 and Yashica Mat-124. The third example is the unique black Yashica Mat-124G/124B type.
Between March and June 1970, the strap holder attachment screws on the Yashica-Mat changed from slotted to cross head type (most probably Japanese JIS standard).
(Detail from larger web image)
Accessory Shoes
The Yashima Pigeonflex and the Yashicaflex S and Yashicaflex AS-II (and presumably AS-I) with exposure meters are the only knob wind models without an accessory shoe. The first crank wind model to get one was the Yashica 44 but not until about a third of the way into production. The first 66 crank wind model was the Yashica 24.


(All images courtesy of Tom Heckhaus except second image second row, Leigh Harris camera, and 2nd image 3rd row)
Note: Occasionally, a camera with a four screw type accessory shoe will be found with the accessory shoe reversed. Correspondent Richard Mean has pointed out that some modern flashguns (including a Canon I had) have a stop on the shoe preventing insertion the wrong way on 35 mm cameras, DSLRs etc (important because of the electrical connections). As the shoe is back-to-front on the Yashica 66 TLRs (not the 44s), owners wanting to use a modern flashgun have simply reversed the shoe. That is both an explanation and advice for anyone with the same problem.
1st Row: Yashima Flex and Yashica Flex B. These are very similar aluminium extrusions with two screws at the front and the third is a post which acts as a stop. The Yashica Flex B has a black insert (there are 4 latish Yashima Flex examples in my database with the black insert already but more strangely, 13 Yashica Flex B examples in the first 1/3 to 1/2 of the database without). The third one is from a very early Yashicaflex A-II with Y.S.K. shutter (A-I is the same). This is formed from plated sheet metal with a bent tab stop and is the harbinger of most subsequent types. The screw spacing seems similar to the earlier types and it is sometimes found on Yashima Flex and Yashica Flex B examples, perhaps as a replacement for some reason? Very soon after, the screw spacing changed to the next type (early Yashicaflex A-II with Copal shutter shown but the same for all models in production).
2nd Row: Probably in late 1956, the number of screws increased to four on all models and is already very similar to the final black version on the Yashica Mat-124G. The first coloured Yashica As very briefly had “Made in Japan” and then “Japan” in the accessory shoe until just before all black examples returned. Correspondent Richard Mean has drawn my attention to the fact that “Made in Japan” also appears in the shoe of his son's very early Yashica 635. I can now say that it appears on cameras up to serial number 5860xxx (still in the first month of production). It is on all eleven of the first sixteen cameras in my database where the shoe is visible. Later cameras don't have it. This one has a rogue screw in the top left hand corner:
(Image courtesy of Richard Mean)
The next example is unique to both the Yashica D and Yashica E. It appears to only be secured by the single post screw. In fact, the shoe is another alloy extrusion with cover plate over the two forward screws. Unlike the plain types, there is a flat spring in each groove to positively grip the flash, or other accessory. The first Yashica Ds had focusing scales in metres only and started with the four screw type shoe common to other models. These cameras were intended for the domestic Japanese market. The examples with focusing scales in feet arrived a few months later, perhaps February 1959, and these used a new, more complex extruded accessory shoes also found on the later Yashica E. From about August 1967, all Yashica D production reverted to the plain four screw type accessory shoe. Japanese market Yashica Ds continued with the four screw type from the beginning for much longer and quite possibly, throughout. There are no Yashica Ds in my database with both focusing scales in metres and extruded shoes so I am not sure about European export examples.
The majority of Yashica 24s have 4 screws with the same size heads. The bottom right screw also secures the front of the strap holder plate and must be a problem because they are relatively frequently found with various larger headed screws.
3rd Row: The factory moved to the larger headed screw, with the appropriate countersink size, around July 1967 which was towards the end of Yashica 24 production and the middle of Yashica 12 production (production overlapped). This initially continued with the Yashica Mat-124 but then, between July and December 1968, it changed to a smaller head which fits in between the two sizes. In the next image above, the screw head size barely looks larger in diameter than the other three screws but it is - the camera is sitting in front of me as I write. The Yashica 635 introduced cross head screws in April 1968 (almost certainly Japanese JIS standard rather than Phillips - tight screws can be damaged by a Phillips driver) also used a few months later (July 1968 or later) on the Yashica D (but never used on the Yashica Mat-124 or earlier crank-wind models). The Yashica Mat-124G also used the cross head screws and reverted to the smaller size for the strap holder screw (i.e., the same size as the other three).
Note: Some examples of some models are found with an <EP> diamond such as this 1964 Yashica 635:
(Image
courtesy of Göran Årelind)
There is more on this on the Model Names page.
Control Wheels (Dial Knobs) & Exposure Indicator Window
Most user manuals refer to “control wheel” although, later manuals starting with the Yashica 12 refer to “control dial”. However, the Yashica description in all “assembling charts” is “dial knob”.
The first model with control wheels was the crank wind Yashica-Mat followed by the knob wind Yashicaflex AS (new model), Yashicaflex B (new model), Yashica 635 and finally, the venerable Yashica D. Then came the Yashica Auto followed by the seven metered crank wind models (including the 124B).
The control wheels adjust shutter speed and aperture and these are visible in a window above the viewing lens. This is called “Exposure Indicator Window” in the last Yashica-Mat 124G user manual and “Lens Opening & Shutter Speed Window” in the first Yashica-Mat manual. Looking down down on the camera in the taking position, shutter speed appears at the front (marked “sec”) and is adjusted with the right side wheel and aperture appears behind (marked “f:”) and is adjusted with the left side wheel. These arrangements didn't change from 1957 through to the end in 1986 but Yashica did change the colours of the readout numerals and background colours a number of times. The readings in the photos below are all relatively clear but in real life, some people find some combinations difficult and this can impact negatively on usability. Immediately below is one of the earliest Yashica-Mats (with Copal MX shutter). Note that the external screws each side of the window disappeared on all models in production sometime between May and July 1962:
(Image courtesy of Göran Årelind)
This has the speed in red on what looks like a white background in the photo, but is actually silver, and the aperture in black on a silver background. The red on a silver background shutter speed remains that way into the 1960s. A 1966 Yashica D is still the same as is a January 1967 Yashica Mat-EM. However, a September 1967 Yashica 635 has a new colour scheme. The speed is still red on silver but the aperture is now white on black:

This was the new standard across all current models but not before an earlier misstep. The 1965 Yashica 24 introduced new unique gold aperture numerals on a silver background for the premium model only - very hard to read, although in the flash photo below it looks fine with the silver background looking dark, which it is not:
The early 1967 Yashica 12 also suffered the same affliction. Both models changed to the new white on black aperture in July 1967.
I had assumed that the Yashica Mat-124G continued on with the new standard until the end but correspondent David Runyard noted that his late version with six digit serial number 191xxx has the white on black aperture scale but the shutter speed scale has olive green numerals on a black background, i.e. both backgrounds are now black. He finds the olive green quite hard to read. On checking my database, I can confirm that the change occurred after the end of seven digit serial numbers in 1980 between serial numbers 157xxx and 161xxx (around 1983 or 1984).
(Detail from larger web image)
Below are the control wheels in order of appearance of the trim style:

(Except for the dull and shiny plain silver wheels, images courtesy of Tom Heckhaus)
The double gold rings are found only on the first 1957 Yashica-Mats with Lumaxar lenses (both 75mm and 80mm). The black leatherette disc is only found on the Yashicaflex AS (new model). The black leatherette ring insert appeared on Mats whilst Lumaxar 80s were still in production. These were also the first type of control wheel on the Yashicaflex B (new model), Yashica 635 and the Yashica D but on the Yashica D, the inserts matched the camera leatherette, i.e., black, grey or cream. Next were the black radials found on Yashica-Mats, Yashica Autos, early Yashica Mat-LMs and Yashica Ds from about 1959 (except Japanese market Yashica Ds where the leatherette inserts continued until the next type). I have found only one Yashica 635 with the black radials and that dates from when the name between the lenses changed to the block style, the same as on the Yashica-Mat and Yashica D but unlike those two, subsequent cameras reverted to the black ring. The first black radials found on Yashica Ds have red centres with a white ring (only found on coloured cameras). I have not found any on other models. The dull or dome shaped silver wheels appeared in 1960 and the shiny wheels in about 1965. The silver with the black and white rings was standard on the Yashica 24, Yashica 12 and Yashica Mat-124 and the all black belong to the all black Yashica Mat-124G and 124B.
Text Between Lenses
(Images courtesy of Tom Heckhaus)
The first model with a cover plate over the shutter assembly was the Yashica Flex S in 1954. Initially it had the shutter name “NKS-FB” and then a plain “Yashica” when the Copal shutter was introduced at the end of 1954 or early 1955. The Yashicaflex C of 1955 introduced the red “Yashica” in an oval. This also appeared on the similar vintage Yashicaflex A-III and early 1956 Yashica Hi-Mec. The black version of the Yashicaflex C oval was introduced by the Yashica C and LM in late 1956 but it was 1957 before the last examples of the Yashicaflex C and Yashicaflex S (still with the plain name up to this point) changed to the black oval name. This appeared on all subsequent models until the change to the block style “Yashica” in 1958. This carried trough to the end on the Yashica-Mat and knob wind models. The last type shown is found on the Yashica 24 and 12 and Yashica Mat-124. The Yashica Mat-124G has no text between the lenses.
Red Windows (Film Windows)
The correct Yashica description is “film window”.
Models that do not have auto-stop film winding and a film counter are fitted on the back with a red window with sliding metal cover. The film is advanced manually until the number of the next frame appears in the window. It is important to immediately slide the cover closed again to stop light affecting the film over time. Red windows were originally designed for orthochromatic (red insensitive) B&W film but by the mid-fifties, panchromatic emulsions (sensitive to the full spectrum) became popular and of course, colour film is also red sensitive.
Below are the three types of red windows found on Yashima/ Yashica models.

(Image on right, courtesy of Tom Heckhaus)
The window (in closed position) on the left belongs to a Yashima made Pigeonflex. It retained this style on the Yashima Flex and Yashica Flex B. The 1954 Yashicaflex A-I introduced the style in the second image which was used on all but one of the 66 models with red windows until the end of Yashica A production in the late '60s. The similarly styled, but horizontal, third window belongs to a Yashica Rookie which was designed to use 120 film in either 6 cm x 6 cm format or 6 cm x 4.5 cm format (120 film is marked with frame numbers for both formats).
Coloured 66 Cameras
Some cameras were available in coloured leatherette and/or metalwork for a brief period between late 1958 and the end of 1960. These camera models are Yashica A, B, D and Auto. There are also coloured Yashica A examples without hood logos which are called Yashica A III in the domestic Japanese market but are otherwise identical to the Yashica A.
The first model to deviate from all black was the Yashica D. The earliest example in my database is an all grey camera from near the model's release in November 1958. There are no coloured Yashica As until sometime between January and April 1959. The first grey Yashica B appeared in March 1959 and the Yashica A III and Auto were both released in April 1959
Light grey leatherette and black metalwork is the most common and is the only combination found for the coloured Yashica B and Auto examples. So far, that is also the case for the Yashica A but it is possible that it may match the A III palette. Both the Yashica A III and D are also found with light grey leatherette and grey metalwork (rare) and warm grey (light grey brown) leatherette and brown metalwork (extremely rare). Contributor Leigh Harris has discovered the first mid-brown with dark cream leatherette Yashica D on a UK website and I have seen a second one on a Japanese auction site. That colour would equate to “Golden Brown” in the Yashica 44 advertised colour palette whereas the dark brown of the Yashica A III and D is probably called “Burgundy” (some, including me, may find it difficult to equate Burgundy with dark brown - see here). The grey metalwork of the Yashica A III and D is also problematic; except that the first is a lighter shade, “Silver Gray” and “Charcoal Gray” are very similar and difficult to tell apart in some photos. As far as I can tell, all grey Yashica A IIIs and Ds are Charcoal Gray.
Model |
Colours Found |
||
Metal |
Colour Name |
Leatherette |
|
| Yashica A | black | black | |
| black | light grey | ||
| Yashica A III | brown | Burgundy | warm grey |
| black | light grey | ||
| grey | Charcoal Gray | light grey | |
| Yashica B | black | black | |
| black | light grey | ||
| Yashica D | grey | Charcoal Gray | light grey |
| light brown | Golden Brown | dark cream | |
| brown | Burgundy | warm grey | |
| black | black | ||
| black | light grey | ||
| Yashica Auto | black | light grey | |
| black | black | ||
Leatherette colours are difficult to discriminate in photos. Leigh Harris has several cameras with grey leatherette and also a Yashica A III and Yashica 44 with dark brown metalwork. In regard to the leatherette colour on the dark brown cameras, Leigh advises that “it is definitely not beige, but a 'warm grey' is the best way I can describe it, and the difference is really only noticeable when the cameras are side by side” (with the grey cameras). I have had the pleasure of viewing Leigh's cameras and I agree with the relative difference of the colours but to me, “warm grey” is much the same as “light beige” or “light grey brown”. Colour is a very subjective matter! I have elected to go with Leigh's description.
Black metalwork Yashica A with light grey leatherette and Burgundy Yashica A III with warm grey leatherette:

(Image courtesy of Leigh Harris)
Matched pair, Burgundy Yashica A III and Yashica 44 together:

(Image courtesy of Leigh Harris)
I have found no black versions of the Yashica A and only four black Yashica Ds in the period that colour versions were being produced. Three are early black Yashica D with early hood logo, like the Yashica 635, which I believe are European market models and a later black one with the gold logo normally found on coloured examples. It seems that both black and grey versions of the Yashica B and Auto were produced at the same time in roughly equal numbers. They and the single Yashica D are the only black cameras found with the narrow “Y” on gold background hood logo (black cameras without a colour choice retained the earlier style logo until all models moved to the blue logo).
The plastic end caps of the focusing knobs on knob wind 66 models and the plastic and hinged lens caps of all examples match the cameras' metalwork colour. Yashica D lens hoods also seemed to be available in colours to match the metalwork (extremely rare, brown and grey on display on a Japanese reference site).
Crank Wind (WARNING!)
Crank wind Yashicas have a reputation for jamming caused by the frame spacing and shutter interlock. The warning below to not operate the crank with an empty take-up spool should be taken very seriously:

(Crop of scan of reverse of “Supplementary Instructions for use of 120 Roll Films in Yashica 24 Camera” provided by correspondent Alan Williams. This was with the user manual of his father's Yashica 24.)
This danger is not so well known as the self-timer issue and I will repeat it in the “Ownership” section.
Fresnel Lens Focusing Screens
Fresnel lens focusing screens are flat plastic screens with raised concentric ridges (prisms) which together act as a lens to concentrate bright, even light across the focusing screen. These fit under the glass in the viewfinder. Without the fresnel screen, there is very noticeable light fall-off from centre to edge. It is a very real benefit for a user camera.
Apart from the view through the viewfinder, the other tell tale signs for identifying the existence of a screen is a distinct plain circular area in the middle without the rings (ground glass screens are usually uniformly plain) and looking through the viewing lens back towards the focusing screen, the rings are clearly visible. Earlier screens seem to be finer.
Yashica brochures confirm that they are fitted to the crank wind models, Yashica 635, Yashica D, Yashica E, Yashica 44, Yashica 44A and Yashica 44LM. The brochures also confirm that the screen is not fitted to the Yashica A.
There are claims that the Yashica C, LM and B also have one. I can confirm that my early Yashica LM (Yashica C with meter) does and photos of the other two also seem to confirm that.
Information on the net suggests that of the Yashicaflex models, only the Yashicaflex B (new model) has the screen. I can confirm that the Yashicaflex AS (new model) does indeed have one. Photos seem to suggest that the Yashicaflex A (new model) also does, which makes sense as with a different nameplate, it is the Yashica B.
I have also checked the earlier Yashicaflex Model S, A series and Model C cameras, including a late Yashicaflex Model S and can confirm that these are definitely not fitted with the fresnel focusing screen. Earlier cameras will definitely not have one.
Internal Light Baffles
It is a common misconception that the Yashica Mat-124G is the only Yashica model fitted with internal light baffling to cut light reflections and help reduce flare:

It is true for export 66 models, however, both the Yashicaflex AS (new model) with Citizen MXV shutter (shown below left) and close relative, the Yashicaflex B (new model) with Copal MXV shutter, (Japanese domestic market forerunners of the Yashica D) were fitted with more complex triple baffles than the later version in the Yashica Mat-124G. The Yashica Mat-124G version may in fact have first appeared on the Yashica D (explained further below)! Also, the Yashica 44LM has vestigial versions top and bottom but not on the sides - the light path in there doesn't allow much space (bottom baffle shown in right image).
.jpg)
Left, Yashicaflex AS (new model). Right Yashica 44LM.
It seems that at least some of the early Yashica-Mats were fitted with the same baffles as the two Yashicaflexes. This is what I have found so far (obviously only visible in photos where the camera backs are open):
- The only early Yashica-Mats fitted with baffles are 33 examples with the gold rings trim on the control wheels still but with the new Lumaxar 80 mm lenses already and with the rare metre focusing scale.
To put that into context, the related findings are:
- Neither the pre-production example with “Yashicamat” on the nameplate in the earliest user manual nor the earliest production Yashica-Mat in my database, which both have metre focusing scales, nor another four with 75 mm Lumaxar lenses but which have focusing scales in feet, have the baffles.
- A slightly later Yashica-Mat with Lumaxar 80s and metre scale focusing but with black leatherette inserts on the control wheels does not have the baffles. This camera was sourced in Europe.
- No Yashica-Mat examples with feet focusing scale have been found with baffles.
- After the end of 1957, there are no Yashica-Mats in my database with focusing scales in metres.
- There are no Yashica-Mats with Yashinon Lenses in my database which have metre focusing scales (all have feet and then dual scales).
- No Yashica-Mat examples with dual focusing scales have been found with baffles.
Below are parts of Japanese ads in a brochure from about 1958 for the Yashica-Mat on the left and Yashicaflex B (new model) on the right, both showing baffles in their photos:

(Document images courtesy of Leigh Harris)
The Yashicaflex A (new model) is also shown with baffles fitted but the examples I have seen are missing this feature and I believe that the ad simply re-uses the photo of the rear of the Yashicaflex B (new model). Tellingly, both ads above have arrows pointing to the baffles but there is no arrow on the Yashicaflex A (new model) ad.
Whilst an early Japanese ad confirms the availability of the Yashica 635 in Japan, I have not yet found any with metre focusing scales and/or with baffles. The 1958 Japanese brochure also shows the 635 with back open but unfortunately, with the 35 mm pressure plate fitted and obscuring the interior view. Unusually for the domestic market, the focus knob is in feet so perhaps metre scales and baffles are unlikely to have featured.
The Yashica D is interesting. It was released some 12 months after the Yashica-Mat. I have clear photos of two early ones with brown metalwork (serial numbers not visible on one and early lens number on the other) from Japanese sites and they have the same baffles as the Yashicaflexes and Yashica-Mat. The two earliest Yashica Ds in my database are grey examples, both with serial number 38110xxx and contributor Sandu Baciu has a similar one with serial number only 500 or so cameras later. They have the baffles as does Sandu's slightly later brown one, 3812xxxx (December 1958) and Tom Heckhaus' 38123194 below left. There is a similar grey camera with serial number 3940xxx (April 1959). Shortly afterwards, three grey cameras in the 3950xxx range (one owned by contributor Leigh Harris) introduced the more abbreviated baffles (below right) that look very similar to those fitted to the Yashica Mat-124G 10 years later.
(Camera 2 detail from larger web image)
All the Yashica Ds with baffles up to this point have focusing scales in metres and most have been sourced from Japan and one from Europe. They have other typical Japanese market features; accessory shoes with 4 screws (other Yashica Ds have a cover plate over the screws and move to the 4 screw type much later) and leatherette inserts in the the control wheels and oval logo between the lenses when export models already have black radial control wheels and the name between lenses in heavy block letters. Except for adopting the block style lettering between the lenses, there are another four similar cameras, the first with November 1959 number 410xxxx and three with 1960 serial numbers 610xxx to 620xxx (one of which is also owned by Leigh Harris).
At this point, the Yashica D reverts to an all black camera. There are five more examples with the small baffles. All now have dual scale focusing knobs. The first is the first Yashica D with the dull silver control wheels and has late 1960s lens serial numbers (600xxx and 603xxx) as does the second (673xxx and 6667xxx). The third camera is definitely from 1961 and the serial number might be D 1080xxx with both lenses in the 751xxx range. The fourth camera has lens serial numbers 944xxx which places it right next to the fifth camera with serial number D 2110xxx with taking lens 945xxx, probably from November 1962. Although a little isolated from the earlier examples, most cameras don't have the insides visible. They have the Japanese market accessory shoe (by this stage, these are quite rare and there is only one more in the database, camera D 4090xxx from September 1964, before the 4 screw type is universally adopted in 1967 - unfortunately the inside of the camera is not shown).
In summary, the first implementation of baffles for 66 models looks like an early Japanese domestic market feature for models with control wheels from around mid-1957 to perhaps 1962 (or even 1964) for the Yashica D, and only briefly for the Yashica-Mat, although with combined DIN/ASA film speed reminder scales, some Yashica-Mats with metre focusing scales were probably exported to Europe. There may have been some Yashica Ds with baffles exported as well but this looks less likely (see European Market Yashica D) and Yashica 635s remain an unknown. It should be noted that whilst the common denominator is the metre focusing scale, it seems that the small number of Yashicaflex Bs (new model) with feet scales also have the baffles. However, the evidence suggests that these cameras were not intended for export - see Yashicaflex B.






.jpg)











